AVEVA E3D PARAGON –  Bolt Weights with Old Calculation Method | Expert Guide

In earlier versions, the Old Bolt Calculation Method did not include support for bolt weights. The attributes BLTWEIGHT and BWEIGHT were introduced later to provide this functionality.

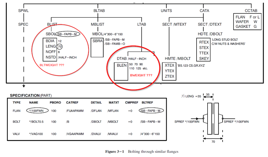
An example from the legacy Aveva PDMS documentation is shown below:

Bolt Weights can be set using BLTWEIGHT attribute at SBOL element and BWEIGHT attribute at DTAB element.

Scroll to Top